固安搪玻璃蒸馏罐
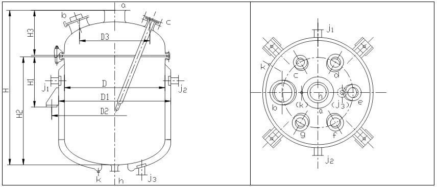
搪玻璃蒸馏罐的结构与搪玻璃反应釜体盖组合基本相同,罐体部位带有夹套,以通入加热或冷却介质,没有搅拌系统,罐盖上的管口也不一样,其中间为蒸馏大口,并配有温套管口、各加料口、视镜口等,一般配置搪玻璃温套管,底部配有搪玻璃放料阀等。
3- 产品详情


搪玻璃蒸馏罐的结构与搪玻璃反应釜体盖组合基本相同,罐体部位带有夹套,以通入加热或冷却介质,没有搅拌系统,罐盖上的管口也不一样,其中间为蒸馏大口,并配有温套管口、各加料口、视镜口等,一般配置搪玻璃温套管,底部配有搪玻璃放料阀等。
搪玻璃蒸馏釜一般做成开式结构,即体盖单体中间用垫子和卡子连接起来,其价位与同等容积的搪玻璃开式反应釜的体盖组合接近,客户选购时一定要说明使用介质、工作温度和工作压力以及蒸馏所需达到的要求,并是否需要配置搪玻璃蒸馏塔及填料。
搪玻璃蒸馏釜,一般配有搪玻璃蒸馏塔,塔的高度由使用方的工艺要求来确定,塔顶带有塔帽,塔内配置工艺所需求的填料;通过夹套循环蒸汽、水、导热油等加热介质,使罐内的物流上升至沸腾状态,所溢出的气体通过中间蒸馏口进入蒸馏塔内进行蒸馏。其温度和介质的使用符合搪玻璃设备的一般适用范围,工作压力一般控制在4公斤-6公斤之间,如有特殊要求请预先说明。
搪玻璃反应罐是一种热力学的分离工艺,它利用混合液体或混合液体固体中各自物质的沸点不同,使低沸点组分蒸发,再冷凝以分离整个组分的单元操作过程,是蒸发和冷凝两种单元操作的联合。与其它的分离手段,如萃取、吸附等相比,它的优点在于不需使用系统组分以外的其它溶剂,从而保证不会引入新的杂质。搪玻璃蒸馏罐以其耐腐蚀、耐高温、抗压力强等特点目前被广泛应用于工业蒸馏工艺中。
